language-flag-1
language-flag-2
165-belgium
language-flag-4
language-flag-3
10 uit 7 beoordelingen
info@technigro.nl(0345) 58 22 88Contact Link Side
  • Assortiment
  • Projecten
  • Werkwijze
  • Contact
Offerte
language-flag-1
language-flag-2
165-belgium
language-flag-4
language-flag-3
AssortimentProjectenWerkwijzeContact
U bevindt zich hier:
  • Home
  • Doorvoertulen A Type 3
  • Doorvoertulen A Type 3

    ← Terug naar overzicht
    doorvoertulen-a-type-31
    • Omschrijving
    • Tekeningen
    • Artikelen
    Offerte
    Offerte
    Omschrijving

    Doorvoertulen A Type 3

    Doorvoertulen A Type 3

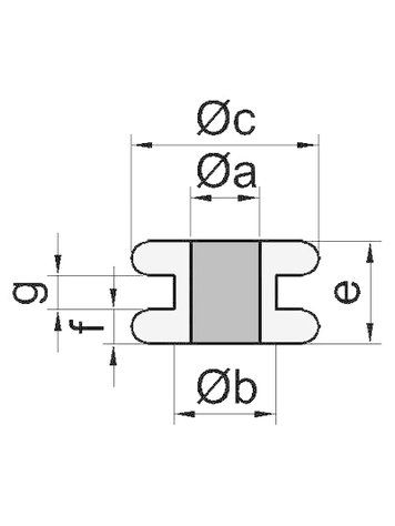
    Tekeningen

    Tekeningen

    tekening-doorvoertulen-a-type-3
    Artikelen

    Artikelen

     

    code

    product

    A

    B

    C

    D

    E

    F

    G

     

    RV16

    Doorvoertulen

    10

    16

    22,5

    8

    3,5

    1,5

    -

    Offerte

     

    RV361

    Doorvoertulen

    12

    21

    27

    9

    3,5

    2

    -

    Offerte

     

    RV2568

    Doorvoertulen

    17

    40

    50

    31,5

    7

    17,5

    -

    Offerte

     

    RV394

    Doorvoertulen

    4

    7,5

    11

    6

    1,5

    3

    -

    Offerte

     

    RV1634

    Doorvoertulen

    5

    15

    19

    10

    3

    4

    -

    Offerte

     

    RV359

    Doorvoertulen

    8

    11

    15

    8

    2

    3

    -

    Offerte
    ← Terug naar overzicht

    Assortiment

    Maak een keuze:

    • Vouwbalgen
    • Telescoopafdekkingen
    • Machineafschermingen REPAR2
    • Spanentransporteurs
    • Geluidswerende cabines
    • Bedbaan afstrijkers
    • Beschermspiralen-veerspiralen
    • Blinde tulen
    • Buffers
    • Bundel bandjes
    • Celrubbers
    • Conische stoppen
    • Doppen
    • Doorvoertulen
    • Handvaten
    • Hoge druk RVS koelmiddel slang
    • Industriële Filterinstallaties
    • Industriële Filterinstallaties
    • Kabelschoenen
    • Koelmiddelpompen
    • Krimpkous
    • Maatwerk producten
    • Machinebeglazing
    • Machineverlichting
    • O-ringen
    • Profielen
    • Rolbandafdekkingen
    • Rubber matten en rollen
    • Rubber doppen en voeten
    • Slangen
    • Slangenklemmen
    • Stelvoeten
    • Trillingsdempers
    • Veiligheidswanden

    Specifieke wensen?

    Wij leveren ook maatwerk. Van inmeten t/m de realisatie. Neem contact met ons op.

    Call to ActionCall to Action
    10 uit 7 beoordelingen
    • Hoog serviceniveau
    • Digitaal inmeten op locatie
    • Locatiebezoek
    • Sterk in advisering
    • Meedenken met de klant
    • Maatwerk productontwikkeling
    info@technigro.nl(0345) 58 22 88Contact

    Sitemap

    • Assortiment
    • Projecten
    • Werkwijze
    • Contact

    Assortiment

    • Vouwbalgen
    • Telescoopafdekkingen
    • Machineafschermingen REPAR2
    • Spanentransporteurs
    • Geluidswerende cabines
    • Bedbaan afstrijkers
    • Beschermspiralen-veerspiralen
    • Blinde tulen
    • Buffers
    • Bundel bandjes
    • Celrubbers
    • Conische stoppen
    • Doppen
    • Doorvoertulen
    • Handvaten
    • Hoge druk RVS koelmiddel slang
    • Industriële Filterinstallaties
    • Industriële Filterinstallaties
    • Kabelschoenen
    • Koelmiddelpompen
    • Krimpkous
    • Maatwerk producten
    • Machinebeglazing
    • Machineverlichting
    • O-ringen
    • Profielen
    • Rolbandafdekkingen
    • Rubber matten en rollen
    • Rubber doppen en voeten
    • Slangen
    • Slangenklemmen
    • Stelvoeten
    • Trillingsdempers
    • Veiligheidswanden

    Contactgegevens

    • Poppenbouwing 26B
    • 4191 NZ Geldermalsen
    • (0345) 58 22 88
    • info@technigro.nl
    Small logo
    • © 2026
    • TECHNIGRO
    • Privacy
    • Algemene voorwaarden
    • Disclaimer
    • Website: Van Suilichem Communicatie BV